1. 설 치 장 소 : 옥내 또는 옥외

     2. 주 위 온 도 : -20℃ ~ +40℃

        (24시간 평균 35℃ 이하 / 1년간 평균 25℃ 이하)

     3. 최 고 허 용 전 압 : 정격전압의 1.10 배

           (24시간 중 12시간 이내)

          정격전압의 1.15 배 (24시간 중 30분 이내)

          정격전압의 1.20 배 (5분 이내)

          정격전압의 1.30 배 (1분 이내)

          정격전압의 1.82배 (2초이내)

     4. 최 대 허 용 전 류 : 정격전류의 130% 이하

 

     1. 용량편차 : 정격용량의 –5% ~ +15%

                      (상간 불평형율 : 108% 이하)

     2. 내전압 (단자 상호 간, 단자일관과 케이스 간) :

        회로전압 3.3KV : 10KVac 1분 또는 30KVdc 10초

        회로전압 6.6KV : 16KVac 1분 또는 45KVdc 10초

     3. 손 실 : 0.35% (at 20℃) 이하

     4. 온도상승 : 30 deg 이하 (at 정격전압, 35℃)

     5. 적용규격 : JEM 1362

     6. 색 상 : Munsell No. 5Y 7/1

 

     

     

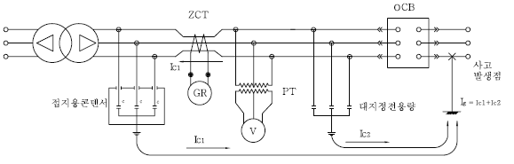
     접지용 콘덴서는 변압기 2차측의 배선선로와 대지간에 접속하여 대지간 정전용량을 증가 시킵니다. 변압기와

      ZCT와의 거리가 짧은 경우에는 선로의 대지정전용량이 작고 접지차단기를 동작시키기에 충분한 관통 지락

      전류를 얻을 수 없기 때문에 대지 정전용량을 증가 시키기 위해 접지용 콘덴서를 사용 합니다.

     

     선로나 기기의 노후 또는 기타 여건으로 인하여 누전사고가 발생하는 일이 있습니다. 고압에서는 선로에 ZCT를

     설치하여 누전 전류를 검출할 수 있습니다. ZCT를 통과하여 선로에 흐르는 전류가 정상시에는 ZCT로부터 부하로

     들어갔다가 나오는 전류가 동일하나 지락(누전)시에는 그 차이만큼의 전류가 지락전류로 ZCT에 검출되는 것입니다.

     3상회로에 있어서 지락전류(누설전류)가 없을 때 각 선전류는 아래와 같습니다.

I    ab = Ia - Ib, Ibc = Ib - Ic, Ica = Ic - Ia

    따라서 Iab = Ibc = Ica

    Iab, Ibc, Ica : 선전류

    Ia, Ib, Ic : 상전류

    3상회로에 있어서 1선 지락의 경우 아래와 같습니다.

    Ig = j3ωCEa = j3×E×2πf×(C2+C2)

    Ig : 지락전류[A]

    E : 전간전압[Vac]

    Ea : 상전압[Vac]

    C1 : 접지용 콘덴서 용량

    C2 : 대지정전용량

    ZCT에 흐르는 지락 전류는 아래와 같습니다.

    Ic1 = × E × 2 × π× f × C1 ×10-6

    예) 선간전압 E = 3300Vac, 접지용콘덴서 용량 C1 = 0.5uF × 3, 주파수 60Hz인 경우 ZCT를 통과하는 지락전류는?

    Ic1 = × 3300 × 2 × π× 60 × 0.5 ×10-6

    lc1 = 1.08[A]

    지락전류의 전류검출 선정을 0.1A ~ 0.8A 정도로 되어있기 때문에 이 설정치를 초과하는 C1을 선정합니다.